QQ
 
PM电机系列
HB电机系列
减速电机系列
同步电机系列
无刷电机
伺服电机
组件
 
 
 
 
 
首页产品展示 HB电机系列  
 

技术参数SPECIFICATION

Model

Step

Exitation

Drive

Current

Resistance

Induc-tance

Holding

Rotor

Weight

Number

Angle

mode

voltage

Phase

Phase

Phase

Torque

Inertia

 

型号 

Degree
步距角

励磁方式 

电压 

相电流 

电阻 

 

保持转矩 

转动惯量 

重量 

 

°

 

V

A

Ω

mH

Kg.cm

g.cm2

kg

86BYG001

1.8

Unipolar

4.8

2

2.4

 

225.0

1400

2.2

86BYG002

1.8

Bipolar

2.4

4

0.6

 

200

1000

1.9

86BYG003

1.8

Unipolar

3.4

4.5

0.75

 

440

2700

3.3

86BYG004

1.8

Unipolar

5

4.2

1.2

 

660

4000

4.5

*表中所列仅为代表性产品

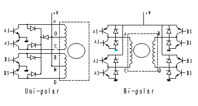
FIGURE:

 
WIRING DIAGRAM
DRIVE CIRCUITRY
 
点击次数:3122